Technische Zeichnungen für Gerray Luna Titangold
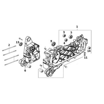
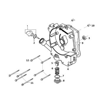
Klicken Sie hier auf die technischen Zeichnungen oder die Explosionszeichnung des Gerray Luna Titan-Gold-Rollers, für den Sie nach Teilen oder Zubehör suchen. Die technischen Zeichnungen des Gerray Luna Titan Gold geben Ihnen einen klaren Überblick über die verschiedenen passenden Teile und Zubehörteile. Wenn Sie nach Ihren Teilen suchen, haben Sie immer passende Teile für Ihr Gerray Luna Titangold.


