Technische Zeichnungen für Giantco Grand Venus schwarz
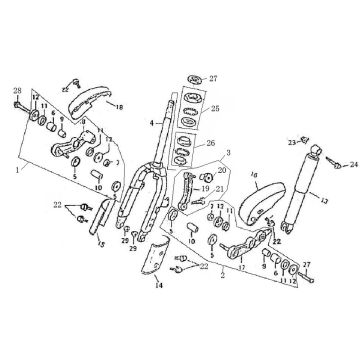
Klicken Sie hier auf die technischen Zeichnungen oder die Explosionszeichnung des schwarzen Scooters Giantco Grand Venus, für den Sie Teile oder Zubehör suchen. Die technischen Zeichnungen des Giantco Grand Venus black geben Ihnen einen klaren Überblick über die verschiedenen passenden Teile und Zubehörteile. Wenn Sie nach Ihren Teilen suchen, haben Sie immer passende Teile für Ihren Giantco Grand Venus schwarz.


