Technische Zeichnungen Honda MB80
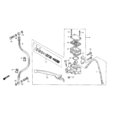
Klicken Sie hier auf die technischen Zeichnungen oder Explosionszeichnungen des Honda MB80, für den Sie Teile suchen. Die technischen Zeichnungen des Honda MB80 geben Ihnen einen klaren Überblick über die verschiedenen passenden Teile. Wenn Sie Ihre Teile auf diese Weise suchen, haben Sie immer passende Teile für Ihren Honda MB80.


