Technische Zeichnungen für Iva Lux mattschwarz
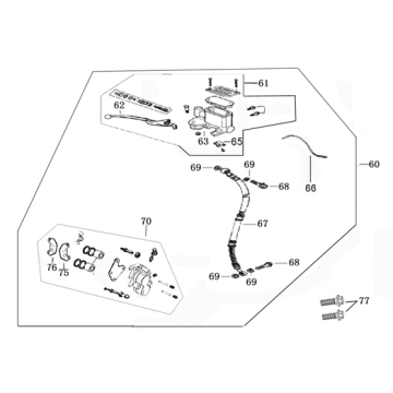
Klicken Sie hier auf die technischen Zeichnungen oder die Explosionszeichnung des mattschwarzen Rollers Iva Lux, für den Sie Teile oder Zubehör suchen. Die technischen Zeichnungen des Iva Lux mattschwarz geben Ihnen einen klaren Überblick über die verschiedenen Beschlagteile und das Zubehör. Wenn Sie nach Ihren Teilen suchen, haben Sie immer passende Teile für Ihr Iva Lux mattschwarz.


