Technische Zeichnungen für Killerbee VXL 125cc mattschwarz
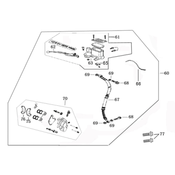
Klicken Sie hier auf die technischen Zeichnungen oder die Explosionszeichnung des mattschwarzen Killerbee VXL 125cc Scooters, für den Sie Teile oder Zubehör suchen. Die technischen Zeichnungen des Killerbee VXL 125cc mattschwarz geben Ihnen einen klaren Überblick über die verschiedenen passenden Teile und Zubehörteile. Wenn Sie nach Ihren Teilen suchen, haben Sie immer passende Teile für Ihren Killerbee VXL 125cc mattschwarz.


