Technische Zeichnungen für Kymco Activ 4-Takt blau-schwarz
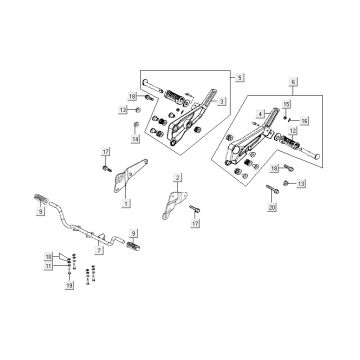
Klicken Sie hier auf die technischen Zeichnungen oder Explosionszeichnungen des Kymco Activ 4-Takt blau-schwarz, für den Sie Ersatzteile oder Zubehör suchen. Die technischen Zeichnungen des Kymco Activ 4-Takt blau-schwarz geben Ihnen einen klaren Überblick über die verschiedenen passenden Teile und Zubehörteile. Wenn Sie Ihre Teile durchsuchen, haben Sie immer passende Teile für Ihren Kymco Activ 4-Takt blau-schwarz.


