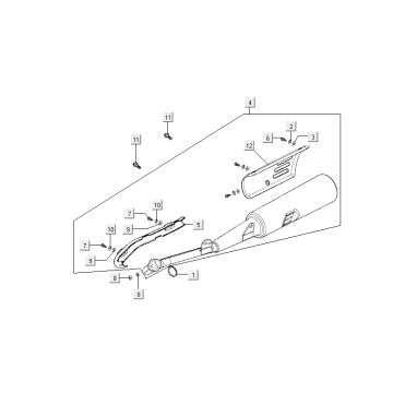
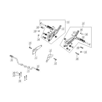
Technische Zeichnungen für Kymco Activ 4-Takt Silber
Klicken Sie hier auf die technischen Zeichnungen oder Explosionszeichnungen des Kymco Activ 4-Takt Silber, für den Sie Ersatzteile oder Zubehör suchen. Die technischen Zeichnungen des Kymco Activ 4-Takt Silber geben Ihnen einen klaren Überblick über die verschiedenen passenden Teile und das Zubehör. Wenn Sie nach Ihren Teilen suchen, haben Sie immer passende Teile für Ihren Kymco Activ 4-Takt Silber.


