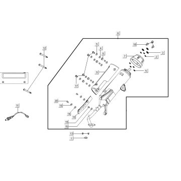
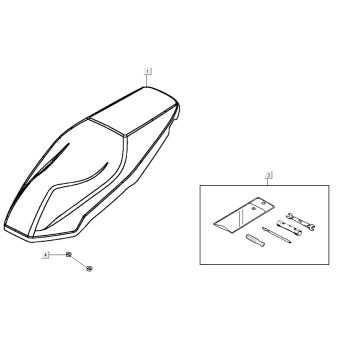
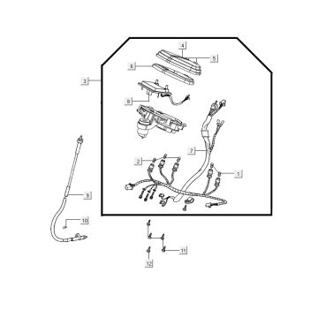
Technische Zeichnungen für Kymco Agility 16+ 200i Matt Metallic Hellblau
Klicken Sie hier auf die technischen Zeichnungen oder Explosionszeichnungen des Kymco Agility 16+ 200i Matt Metallic Light Blue, für den Sie Ersatzteile oder Zubehör suchen. Die technischen Zeichnungen des Kymco Agility 16+ 200i Matt Metallic Light Blue geben Ihnen einen klaren Überblick über die verschiedenen Beschlagteile und das Zubehör. Wenn Sie Ihre Teile suchen, haben Sie immer passende Teile für Ihren Kymco Agility 16+ 200i Matte Metallic Light Blue.


