Technische Zeichnungen für Kymco Agility City 16' 4-Takt Dunkelgrau
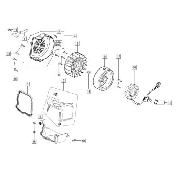
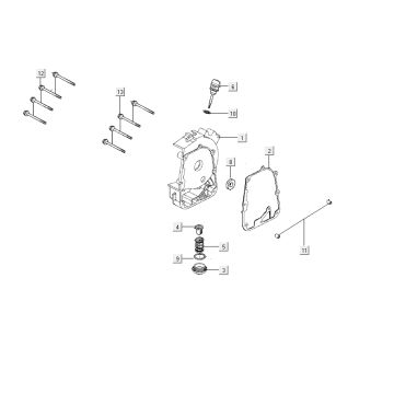
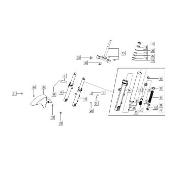
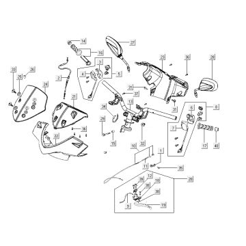
Klicken Sie hier auf die technischen Zeichnungen oder die Explosionszeichnung des Kymco Agility City 16' 4-Takt Dunkelgrau, für den Sie Ersatzteile oder Zubehör suchen. Die technischen Zeichnungen des Kymco Agility City 16' 4-Takt Dark Grey geben Ihnen einen klaren Überblick über die verschiedenen passenden Teile und das Zubehör. Wenn Sie Ihre Teile suchen, haben Sie immer passende Teile für Ihren Kymco Agility City 16' 4-Takt Dark Grey.


