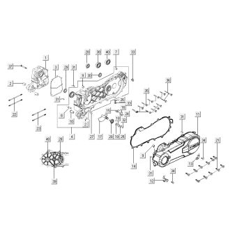
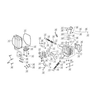
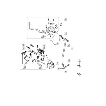
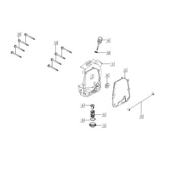
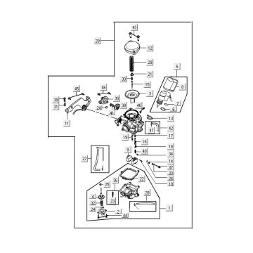
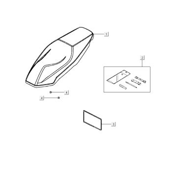
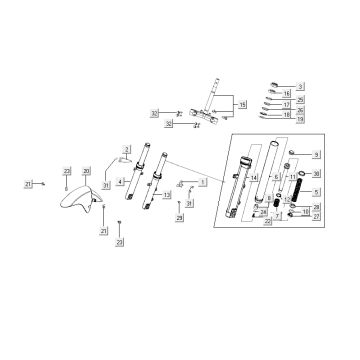
Technische Zeichnungen für Kymco Agility City 16' 4-Takt schwarz 50cc
Klicken Sie hier auf die technischen Zeichnungen oder die Explosionszeichnung des Kymco Agility City 16' 4-Takt schwarz 50cc, für den Sie Ersatzteile oder Zubehör suchen. Die technischen Zeichnungen des Kymco Agility City 16' 4-Takt schwarz 50cc geben Ihnen einen klaren Überblick über die verschiedenen Beschlagteile und das Zubehör. Wenn Sie Ihre Teile suchen, haben Sie immer passende Teile für Ihren Kymco Agility City 16' 4-Takt schwarz 50cc.


