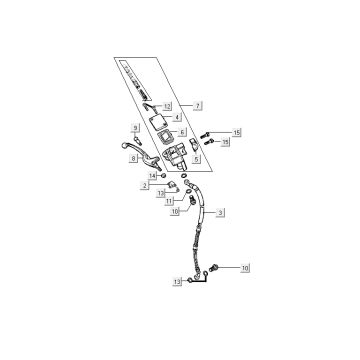
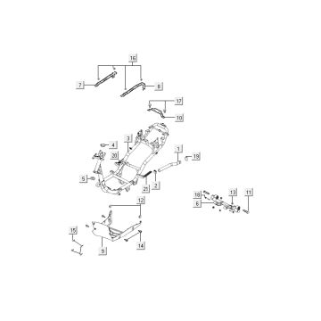
Technische Zeichnungen für Kymco Agility 10' 4-Takt sportliches Blau
Klicken Sie hier auf die technischen Zeichnungen oder die Explosionszeichnung des Kymco Agility 10' 4-Takt sportliches Blau, für den Sie Ersatzteile oder Zubehör suchen. Die technischen Zeichnungen des Kymco Agility 10' 4-Takt sportliches Blau geben Ihnen einen klaren Überblick über die verschiedenen Beschlagteile und das Zubehör. Wenn Sie Ihre Teile suchen, haben Sie immer passende Teile für Ihren Kymco Agility 10' 4-Takt sportliches Blau.


