Technische Zeichnungen für Kymco Agility 12' 4-Takt Silber
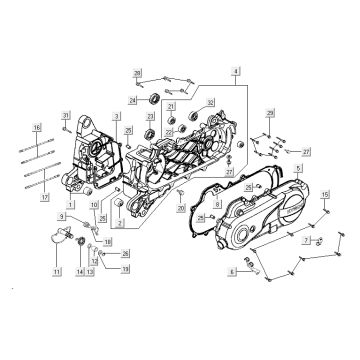
Klicken Sie hier auf die technischen Zeichnungen oder die Explosionszeichnung des Kymco Agility 12' 4-Takt Silber, für den Sie Ersatzteile oder Zubehör suchen. Die technischen Zeichnungen des Kymco Agility 12' 4-Takt Silber geben Ihnen einen klaren Überblick über die verschiedenen passenden Teile und das Zubehör. Wenn Sie Ihre Teile durchsuchen, haben Sie immer passende Teile für Ihren Kymco Agility 12' 4-Takt Silber.


