Technische Zeichnungen für Kymco Agility Fat 12' 4-Takt Renault braun
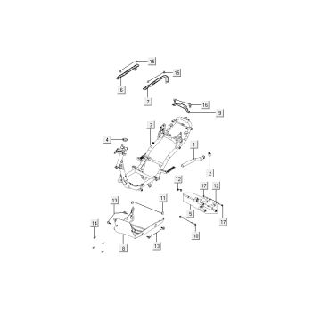
Klicken Sie hier auf die technischen Zeichnungen oder die Explosionszeichnung des Kymco Agility Fat 12' 4-Takt Renault braun, für den Sie Ersatzteile oder Zubehör suchen. Die technischen Zeichnungen des Kymco Agility Fat 12' 4-Takt Renault brown geben Ihnen einen klaren Überblick über die verschiedenen Beschlagteile und das Zubehör. Wenn Sie Ihre Teile durchsuchen, haben Sie immer passende Teile für Ihren Kymco Agility Fat 12' 4-Takt Renault braun.


