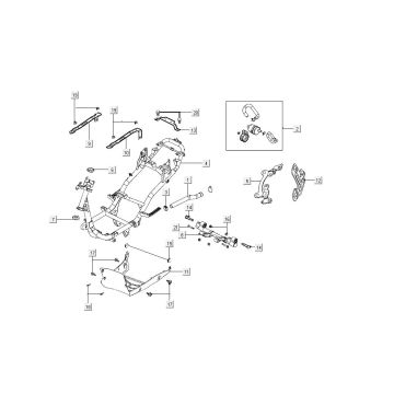
Technische Zeichnungen für Kymco Agility FR 12' 4-Takt Euro4 (Klatschsattel) schwarz
Klicken Sie hier auf die technischen Zeichnungen oder die Explosionszeichnung des Kymco Agility FR 12' 4-Takt Euro4 schwarz, für den Sie Ersatzteile oder Zubehör suchen. Die technischen Zeichnungen des Kymco Agility FR 12' 4-Takt Euro4 schwarz geben Ihnen einen klaren Überblick über die verschiedenen Beschlagteile und das Zubehör. Wenn Sie Ihre Teile suchen, haben Sie immer passende Teile für Ihren Kymco Agility FR 12' 4-Takt Euro4 schwarz.


