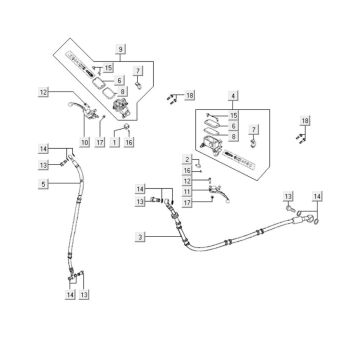
Technische Zeichnungen für Kymco Downtown 300i White
Klicken Sie hier auf die technischen Zeichnungen oder Explosionszeichnungen des Kymco Downtown 300i White, für die Sie Ersatzteile oder Zubehör suchen. Die technischen Zeichnungen des Kymco Downtown 300i White geben Ihnen einen klaren Überblick über die verschiedenen Beschlagteile und das Zubehör. Wenn Sie nach Ihren Teilen suchen, haben Sie immer passende Teile für Ihren Kymco Downtown 300i White.


