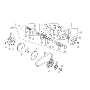
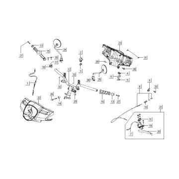
Technische Zeichnungen für Kymco Like 4-Takt hellblau
Klicken Sie hier auf die technischen Zeichnungen oder Explosionszeichnungen des Kymco Like 4-Takt-Hellblau, für den Sie Teile oder Zubehör suchen. Die technischen Zeichnungen des Kymco Like 4-Takt hellblau geben Ihnen einen klaren Überblick über die verschiedenen Beschlagteile und das Zubehör. Wenn Sie Ihre Teile durchsuchen, haben Sie immer passende Teile für Ihren Kymco Like 4-Takt hellblau.


