Technische Zeichnungen für Kymco Like ab 2018 weiß (euro4)
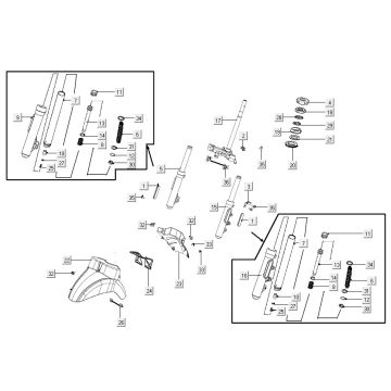
Klicken Sie hier auf die technischen Zeichnungen oder Explosionszeichnungen des Kymco Like von 2018 weiß (euro4), für den Sie Teile oder Zubehör suchen. Die technischen Zeichnungen des Kymco Like von 2018 weiß (euro4) geben Ihnen einen klaren Überblick über die verschiedenen passenden Teile und Zubehörteile. Wenn Sie nach Ihren Teilen suchen, haben Sie immer passende Teile für Ihren Kymco Like ab 2018 weiß (euro4).


