Technische Zeichnungen für Kymco Maxxer 90
Klicken Sie hier auf die technischen Zeichnungen oder Explosionszeichnungen des Kymco Maxxer 90, für den Sie Ersatzteile oder Zubehör suchen. Die technischen Zeichnungen des Kymco Maxxer 90 geben Ihnen einen klaren Überblick über die verschiedenen Beschlagteile und das Zubehör. Wenn Sie nach Ihren Teilen suchen, haben Sie immer passende Teile für Ihren Kymco Maxxer 90.
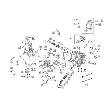
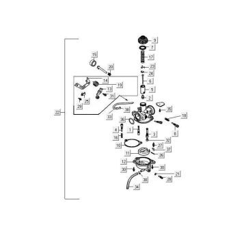
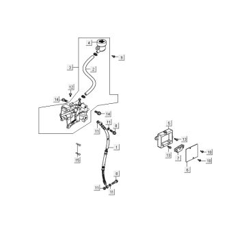
Ersatzteile für den Kymco Maxxer 90
Durch unsere technischen Zeichnungen des Kymco Maxxer 90 finden Sie einfach und schnell die richtigen Originalteile. Bei den mit den Zeichnungen verknüpften Teilen handelt es sich um Originalteile, sodass Ihnen die Originalqualität garantiert ist.
Der MAXXER 90 ist ein Stufenmodell von Kymco
Neben dem beispiellosen Fahrspaß bietet der Maxxer 90 auch optimale Sicherheit, die ideal ist, aber für die jüngsten Quad- oder ATV-Fahrer. Dieses Quad hat einen sehr robusten Reitradbereich, ist einfach zu steuern und mit guten Trommelbremsen ausgestattet. Der Motor wird sofort abgeschaltet, wenn der Fahrer aufgrund des Notfiebers die Leistung über das Lenkrad verliert. Die einstellbare Drosselklappe kann an die Fahrtüchtigkeit des Fahrers angepasst werden, sodass immer eine verantwortungsvolle Situation entsteht. Ein Rücklicht und ein markanter Halogenscheinwerfer sind ebenfalls montiert, um perfekte Sicht und gute Sicht zu gewährleisten. Alles in allem ein sehr vollständiges und sicheres Quad.
DIENSTLEISTUNGEN Maxxer 90
- Einstellbare Drosselklappe, anpassbar an die Fahrtüchtigkeit
- Notstopp an der Schnur für optimale Sicherheit
- Halogenscheinwerfer und Rücklicht
- Elektrostart und Kickstart
- Automatisches Getriebe
- Hinterer Griff für einfaches Bewegen
- Unabhängige Vorderradaufhängung


