Technische Zeichnungen für Kymco MXU 150
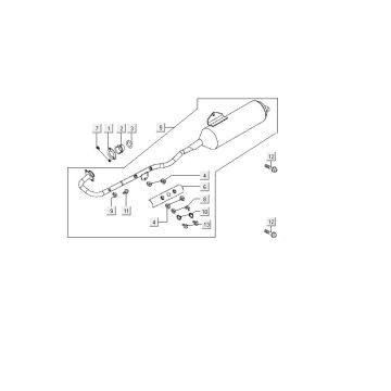
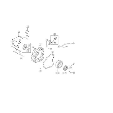
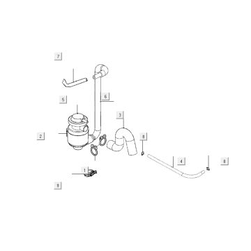
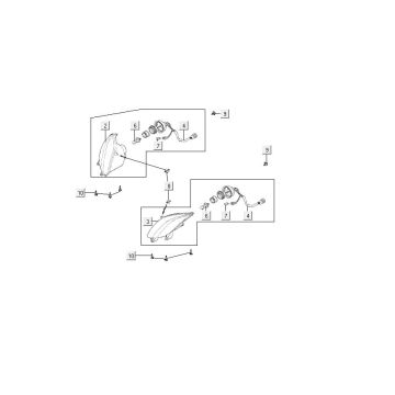
Klicken Sie hier auf die technischen Zeichnungen oder Explosionszeichnungen des Kymco MXU 150 Quad, für den Sie Teile oder Zubehör suchen. Die technischen Zeichnungen des Kymco MXU 150 geben Ihnen einen klaren Überblick über die verschiedenen Beschlagteile und das Zubehör. Wenn Sie nach Ihren Teilen suchen, haben Sie immer passende Teile für Ihren Kymco MXU 150.


