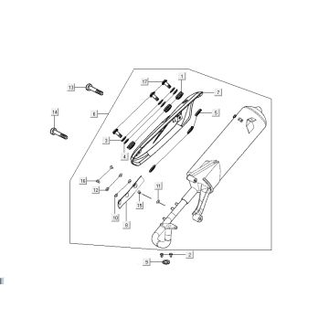
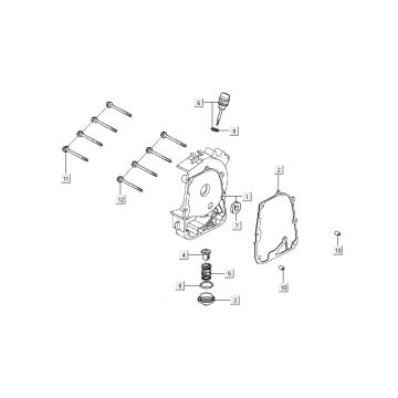
Technische Zeichnungen für Kymco New Dink 4-Takt weiß
Klicken Sie hier auf die technischen Zeichnungen oder Explosionszeichnungen des Kymco New Dink 4-Takt weiß, für den Sie Ersatzteile oder Zubehör suchen. Die technischen Zeichnungen des Kymco New Dink 4-Takt weiß geben Ihnen einen klaren Überblick über die verschiedenen passenden Teile und Zubehörteile. Wenn Sie Ihre Teile durchsuchen, haben Sie immer passende Teile für Ihren Kymco New Dink 4-Takt weiß.


