Technische Zeichnungen für Kymco New Dink 4-Takt Deep Ocean Blue
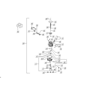
Klicken Sie hier auf die technischen Zeichnungen oder Explosionszeichnungen des Kymco New Dink 4-Takt Deep Ocean Blue, für den Sie Ersatzteile oder Zubehör suchen. Die technischen Zeichnungen des Kymco New Dink 4-Takt Deep Ocean Blue geben Ihnen einen klaren Überblick über die verschiedenen passenden Teile und Zubehörteile. Wenn Sie nach Ihren Teilen suchen, haben Sie immer passende Teile für Ihren Kymco New Dink 4-Takt Deep Ocean Blue.


