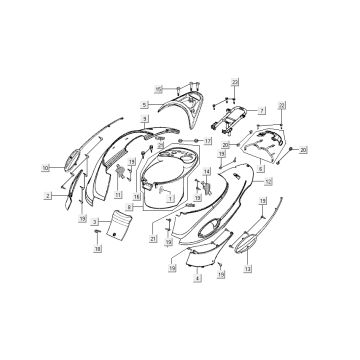
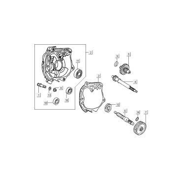
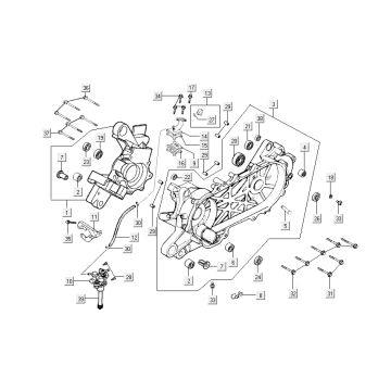
Technische Zeichnungen für Kymco People 2-Takt 50cc blau
Klicken Sie hier auf die technischen Zeichnungen oder die Explosionszeichnung des Kymco People 2-Takt 50cc blau, für den Sie Ersatzteile oder Zubehör suchen. Die technischen Zeichnungen des Kymco People 2-Takt 50cc blau geben Ihnen einen klaren Überblick über die verschiedenen Beschlagteile und das Zubehör. Wenn Sie Ihre Teile suchen, haben Sie immer passende Teile für Ihren Kymco People 2-Takt 50cc blau.


