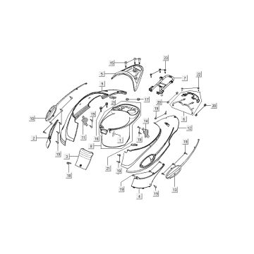
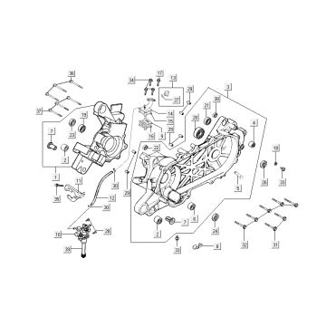
Technische Zeichnungen für Kymco People 2-Takt 50cc rot
Klicken Sie hier auf die technischen Zeichnungen oder die Explosionszeichnung des Kymco People 2-Takt 50cc rot, für den Sie Ersatzteile oder Zubehör suchen. Die technischen Zeichnungen des Kymco People 2-Takt 50cc rot geben Ihnen einen klaren Überblick über die verschiedenen passenden Teile und Zubehörteile. Wenn Sie Ihre Teile durchsuchen, haben Sie immer passende Teile für Ihren Kymco People 2-Takt 50cc rot.


