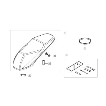
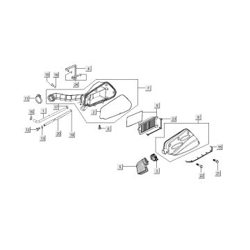
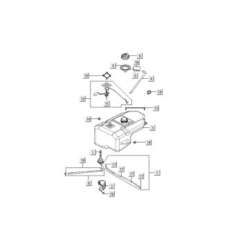
Technische Zeichnungen für Kymco People S 4-Takt Electric blue
Klicken Sie hier auf die technischen Zeichnungen oder Explosionszeichnungen des Kymco People S 4-Takt Electric blue, für den Sie Ersatzteile oder Zubehör suchen. Die technischen Zeichnungen des Kymco People S 4-Takt Electric blue geben Ihnen einen klaren Überblick über die verschiedenen passenden Teile und das Zubehör. Wenn Sie nach Ihren Teilen suchen, haben Sie immer passende Teile für Ihren Kymco People S 4-Takt Electric blue.


