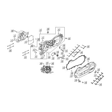
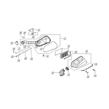
Technische Zeichnungen für Kymco People S 4-Takt Elegance schwarz
Klicken Sie hier auf die technischen Zeichnungen oder die Explosionszeichnung des Kymco People S 4-Takt Elegance black, für den Sie Ersatzteile oder Zubehör suchen. Die technischen Zeichnungen des Kymco People S 4-Takt Elegance black geben Ihnen einen klaren Überblick über die verschiedenen passenden Teile und das Zubehör. Wenn Sie nach Ihren Teilen suchen, haben Sie immer passende Teile für Ihren Kymco People S 4-Takt Elegance schwarz.


