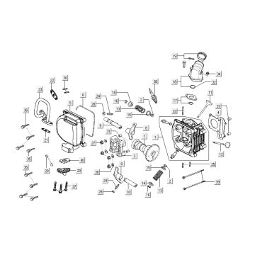
Technische Zeichnungen für Kymco Sento 4-Takt schwarz glänzend
Klicken Sie hier auf die technischen Zeichnungen oder Explosionszeichnungen des Kymco Sento 4-Takt-Schwarzglanz, für den Sie Teile oder Zubehör suchen. Die technischen Zeichnungen des Kymco Sento 4-Takt Black Gloss geben Ihnen einen klaren Überblick über die verschiedenen passenden Teile und Zubehörteile. Wenn Sie Ihre Teile durchsuchen, haben Sie immer passende Teile für Ihren Kymco Sento 4-Takt schwarz glänzend.


