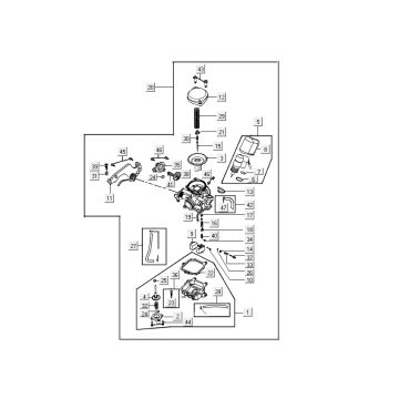
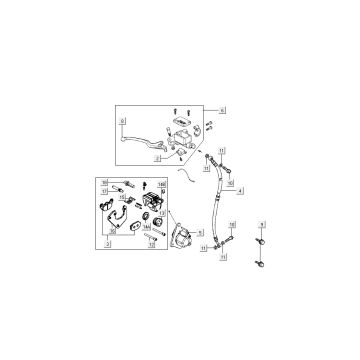
Technische Zeichnungen für den Kymco Super8 4-Takt von 2009 weiß
Klicken Sie hier auf die technischen Zeichnungen oder Explosionszeichnungen des Kymco Super8 4-Takt von 2009 weiß, für den Sie Teile oder Zubehör suchen. Die technischen Zeichnungen des Kymco Super8 4-Takt von 2009 weiß geben Ihnen einen klaren Überblick über die verschiedenen passenden Teile und Zubehörteile. Wenn Sie Ihre Teile durchsuchen, haben Sie immer passende Teile für Ihren Kymco Super8 4-Takt von 2009 weiß.


