Technische Zeichnungen für Kymco Vitality 2-Takt blau
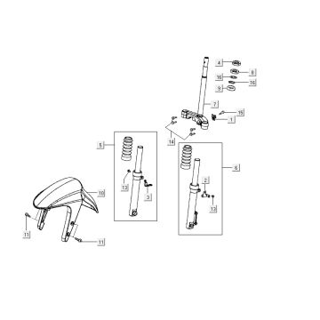
Klicken Sie hier auf die technischen Zeichnungen oder Explosionszeichnungen des Kymco Vitality 2-Takt-Blau, für den Sie Teile oder Zubehör suchen. Die technischen Zeichnungen des Kymco Vitality 2-Takt-Blau geben Ihnen einen klaren Überblick über die verschiedenen passenden Teile und das Zubehör. Wenn Sie nach Ihren Teilen suchen, haben Sie immer passende Teile für Ihren Kymco Vitality 2-Takt blau.


