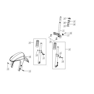
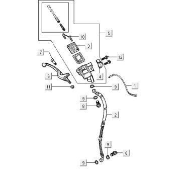
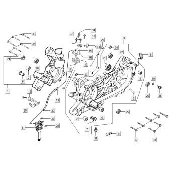
Technische Zeichnungen für Kymco Vitality 2-Takt-Sportstream
Klicken Sie hier auf die technischen Zeichnungen oder die Explosionszeichnung des Kymco Vitality 2-Takt-Sportstreams, für den Sie nach Teilen oder Zubehör suchen. Die technischen Zeichnungen des Kymco Vitality 2-Takt-Sportstreams geben Ihnen einen klaren Überblick über die verschiedenen passenden Teile und Zubehörteile. Wenn Sie nach Ihren Teilen suchen, haben Sie immer passende Teile für Ihren Kymco Vitality 2-Takt-Sportstream.


