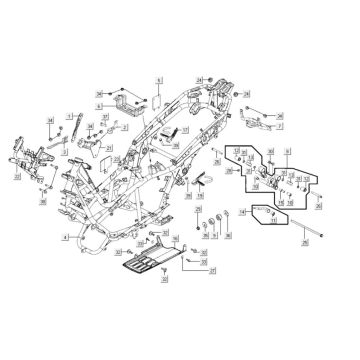
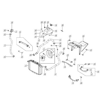
Technische Zeichnungen für Kymco Xciting 400i Matt Black
Klicken Sie hier auf die technischen Zeichnungen oder Explosionszeichnungen des Kymco Xciting 400i Matt Black, für den Sie Ersatzteile oder Zubehör suchen. Die technischen Zeichnungen des Kymco Xciting 400i Matt Black geben Ihnen einen klaren Überblick über die verschiedenen passenden Teile und das Zubehör. Wenn Sie nach Ihren Teilen suchen, haben Sie immer passende Teile für Ihren Kymco Xciting 400i Matt Black.


