Technische Zeichnungen für Lintex HT50QT-12 125cc Silber
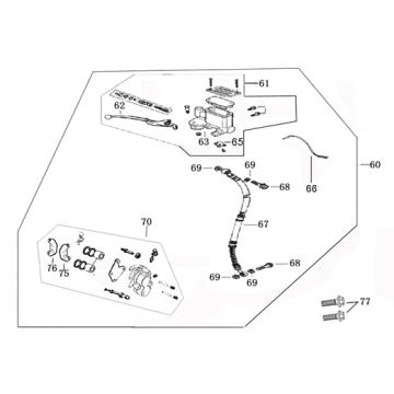
Klicken Sie hier auf die technischen Zeichnungen oder die Explosionszeichnung des silbernen Lintex HT50QT-12 125cc Scooters, für den Sie Teile oder Zubehör suchen. Die technischen Zeichnungen des Lintex HT50QT-12 125cc Silber geben Ihnen einen klaren Überblick über die verschiedenen passenden Teile und Zubehörteile. Wenn Sie Ihre Teile suchen, haben Sie immer passende Teile für Ihren Lintex HT50QT-12 125cc Silber.


