Technische Zeichnungen für Lintex HT50QT-12 125cc weiß
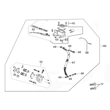
Klicken Sie hier auf die technischen Zeichnungen oder die Explosionszeichnung des weißen Lintex HT50QT-12 125cc Scooters, für den Sie Teile oder Zubehör suchen. Die technischen Zeichnungen des Lintex HT50QT-12 125cc weiß geben Ihnen einen klaren Überblick über die verschiedenen Beschlagteile und das Zubehör. Wenn Sie Ihre Teile suchen, haben Sie immer passende Teile für Ihren Lintex HT50QT-12 125cc weiß.


