Technische Zeichnungen für Lintex Retro HT50QT-29 anthrazit
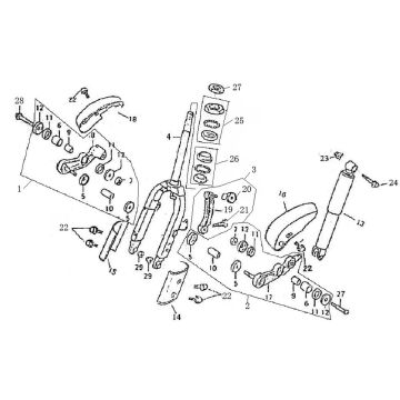
Klicken Sie hier auf die technischen Zeichnungen oder die Explosionszeichnung des Lintex Retro HT50QT-29 anthrazit Scooters, für den Sie Ersatzteile oder Zubehör suchen. Die technischen Zeichnungen des Lintex Retro HT50QT-29 anthrazit geben Ihnen einen klaren Überblick über die verschiedenen Beschlagteile und das Zubehör. Wenn Sie Ihre Teile suchen, haben Sie immer passende Teile für Ihren Lintex Retro HT50QT-29 anthrazit.


