Technische Zeichnungen für Luuko Roman 125cc weiß
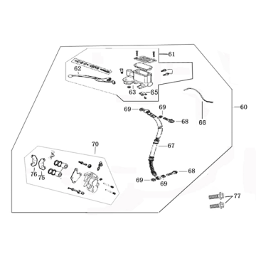
Klicken Sie hier auf die technischen Zeichnungen oder die Explosionszeichnung des weißen Rollers Luuko Roman 125cc, für den Sie nach Teilen oder Zubehör suchen. Die technischen Zeichnungen des Luuko Roman 125cc weiß geben Ihnen einen klaren Überblick über die verschiedenen passenden Teile und Zubehörteile. Wenn Sie nach Ihren Teilen suchen, haben Sie immer passende Teile für Ihren Luuko Roman 125cc weiß.


