Technische Zeichnungen für Luuko Roman mattes Anthrazit
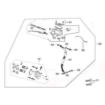
Klicken Sie hier auf die technischen Zeichnungen oder die Explosionszeichnung des Luuko Roman Mat Anthracite Scooters, für den Sie nach Teilen oder Zubehör suchen. Die technischen Zeichnungen des Luuko Roman Matt Anthrazit geben Ihnen einen klaren Überblick über die verschiedenen passenden Teile und das Zubehör. Wenn Sie nach Ihren Teilen suchen, haben Sie immer passende Teile für Ihr Luuko Roman mattes Anthrazit.


