Technische Zeichnungen für Neco Azzuro anthrazit matt
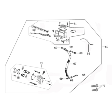
Klicken Sie hier auf die technischen Zeichnungen oder Explosionszeichnungen des Neco Azzuro mattes Anthrazit, für den Sie Teile oder Zubehör suchen. Die technischen Zeichnungen des Neco Azzuro Matt Anthrazit geben Ihnen einen klaren Überblick über die verschiedenen passenden Teile und das Zubehör. Wenn Sie nach Ihren Teilen suchen, haben Sie immer passende Teile für Ihren Neco Azzuro mattes Anthrazit.


