Teile und Zubehör für Neco Borsalino
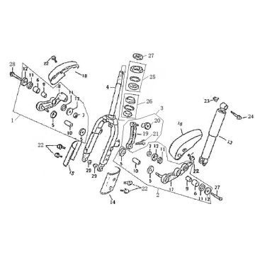
Klicken Sie hier auf die richtige Version des Neco Borsalino, für die Sie nach Teilen oder Zubehör suchen. Die technischen Zeichnungen des Neco Borsalino geben Ihnen einen klaren Überblick über die verschiedenen Beschlagteile und das Zubehör. Natürlich passen die Originalteile von Neco am besten.


