Technische Zeichnungen für NIU M1 anthrazit
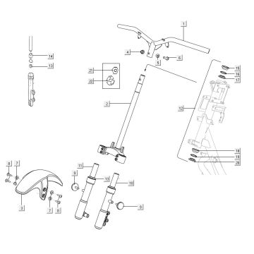
Klicken Sie hier auf die technischen Zeichnungen oder die Explosionszeichnung des NIU M1 Anthrazit Scooters, für den Sie Teile oder Zubehör suchen. Die technischen Zeichnungen des NIU M1 anthrazit geben Ihnen einen klaren Überblick über die verschiedenen passenden Teile und das Zubehör. Wenn Sie nach Ihren Teilen suchen, haben Sie immer passende Teile für Ihr NIU M1 Anthrazit.


