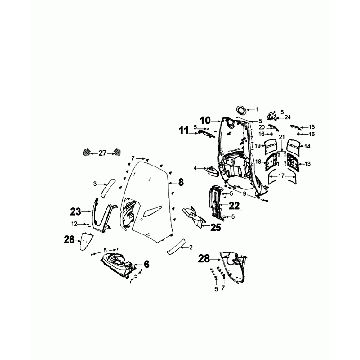
Technische Zeichnungen für Peugeot Django Euro 4 Schwarze Johannisbeere
Klicken Sie hier auf die technischen Zeichnungen oder die Explosionszeichnung des Peugeot Django Euro 4 Blackcurrant Scooters, für den Sie Teile oder Zubehör suchen. Die technischen Zeichnungen des Peugeot Django Euro 4 Blackcurrant geben Ihnen einen klaren Überblick über die verschiedenen Beschlagteile und das Zubehör. Wenn Sie nach Ihren Teilen suchen, haben Sie immer passende Teile für Ihren Peugeot Django Euro 4 Blackcurrant.


