Teile und Zubehör für Peugeot V-clic
Klicken Sie hier auf die richtige Version des Peugeot V-clic Scooters, für den Sie nach Teilen oder Zubehör suchen. Die technischen Zeichnungen des Peugeot V-clic geben Ihnen einen klaren Überblick über die verschiedenen Beschlagteile und das Zubehör. Natürlich passen die originalen Peugeot V-clic Teile am besten.
Teile für Peugeot V-Clic
Der Peugeot V-Clic ist ein kompakter Cityroller. Der V-Clic hat einen luftgekühlten 4-Takt-Motor. Seine Beziehung großer Stauraum ist überraschend. Der Peugeot V-Clic ist sparsam und sportlich.
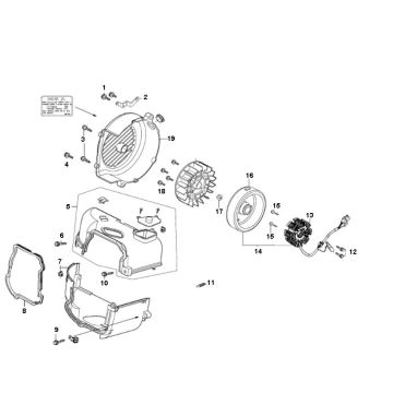
Teile Peugeot V-Clic über technische Zeichnung
Um Ihren Peugeot V-Clic optimal zu warten, benötigen Sie gelegentlich Teile. Oben haben wir die verschiedenen Modelle der V-Clic-Roller, von denen wir technische Zeichnungen haben. Wählen Sie zuerst Ihr Modell aus und sehen Sie sich dann die Zeichnung an, die Sie für benötigen. Wenn Sie anhand dieser technischen Zeichnungen nach Teilen und Zubehör suchen, haben Sie garantiert immer die passenden Teile für Ihren Peugeot-Rollertyp!
Teile und Zubehör
Für alle Arten von Peugeot-Rollern ist eine große Anzahl von Teilen und Zubehör erhältlich. Von dieser Seite aus können Sie zu der Seite navigieren, auf der alle Teile übersichtlich nach Rollertyp angeordnet sind. Für alle Universalteile können Sie die Kategorien durchsuchen oder die Suchleiste in der oberen rechten Ecke verwenden. In dem unwahrscheinlichen Fall, dass Sie es bei Ihrer Suche nicht erfahren, können Sie uns jederzeit telefonisch oder per E-Mail kontaktieren. Wir helfen Ihnen gerne weiter!


