Teile und Zubehör für Pronto Amaro 125cc
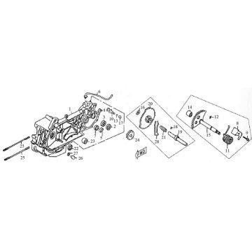
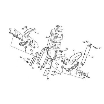
Klicken Sie hier auf die richtige Version des Pronto Amaro 125cc Scooters, für den Sie nach Teilen oder Zubehör suchen. Die technischen Zeichnungen des Pronto Amaro 125cc geben Ihnen einen klaren Überblick über die verschiedenen Beschlagteile und das Zubehör. Die Originalteile von Pronto Amaro 125cc passen natürlich am besten.
Der Pronto Amaro.
Anhand der obigen Zeichnungen ergeben sich eine Reihe von Vorteilen:
- Passen Sie immer zu 100%
- Die Wahrscheinlichkeit der Abnutzung ist gleich Null
- Schnell und einfach gefunden
- Finden Sie Teile, deren Namen Sie nicht kennen
Der Pronto Amaro ist mit einem leistungsstarken Viertakt-125-cm3-Motorblock ausgestattet, der nicht nur sehr sparsam, sondern auch leise ist. Neben seinem hervorragenden Handling verfügt dieser Roller auch über ein extra breites Lenkrad für ein noch besseres Handling des Rollers. Bitte beachten Sie, dass dieser Roller nur in Schwarz erhältlich ist und sowohl für Euro 98 als auch für Euro 95 geeignet ist.


