Technische Zeichnungen für Pronto Rimini Anthrazit matt
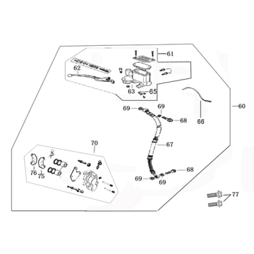
Klicken Sie hier auf die technischen Zeichnungen oder die Explosionszeichnung des Pronto Rimini Mat Anthracite Scooters, für den Sie Teile oder Zubehör suchen. Die technischen Zeichnungen des Pronto Rimini mattes Anthrazit geben Ihnen einen klaren Überblick über die verschiedenen Beschlagteile und das Zubehör. Wenn Sie nach Ihren Teilen suchen, haben Sie immer passende Teile für Ihr Pronto Rimini mattes Anthrazit.
Der Pronto Rimini Roller
Der Rimini wird mit bleifreiem Benzin betrieben und ist sparsam und leise. Der Rimini ist auch für zwei Personen geeignet und der Pronto hat relativ viel Beinfreiheit. Die Pronto Rimini ist eine echte Vespa, die aussieht. Der Kofferraum unter dem Kumpelsitz ist groß. Der GY-6 4-Takt-Motor sorgt für eine gute Zugkraft. Der Pronto Rimini ist ein klassisch aussehender Modellroller.
Teile und Farben
Der Rimini-Typ ist in mehreren Farben erhältlich. Farben, die uns bekannt sind:
Ersatzteile für Pronto Rimini
Oben sehen Sie die Modelle des Typs Rimini, von denen wir technische Zeichnungen haben. Wählen Sie zuerst Ihr Modell aus und sehen Sie sich dann die Zeichnung an, die Sie für benötigen. Wenn Sie auf diese Weise nach Teilen suchen, haben Sie garantiert immer passende Teile und Zubehör für Ihren Pronto Rimini. Für die Wartung Ihres Pronto Rimini ist es sehr wichtig, dass Sie gut sitzende Teile verwenden, die unnötigen Verschleiß verhindern und unnötige Kosten verursachen können.


