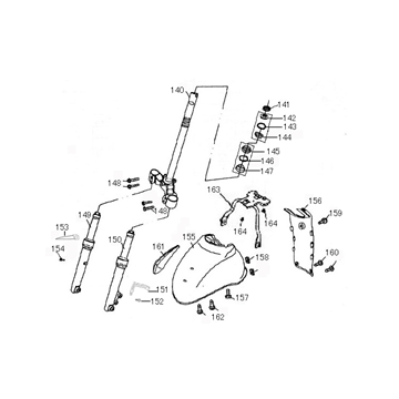
Technische Zeichnungen für Pronto San Remo braun
Klicken Sie hier auf die technischen Zeichnungen oder die Explosionszeichnung des braunen Rollers Pronto San Remo, für den Sie nach Teilen oder Zubehör suchen. Die technischen Zeichnungen des Pronto San Remo Brown geben Ihnen einen klaren Überblick über die verschiedenen Beschlagteile und das Zubehör. Wenn Sie nach Ihren Teilen suchen, haben Sie immer passende Teile für Ihr Pronto San Remo braun.
Farben des San Remo.
Der San Remo ist in folgenden Farben erhältlich:
- Blau
- Schwarz
- Mattes Anthrazit
- Cream
- Metallisches Braun
- Rauch
Bitte beachten Sie, dass zum Beispiel die Farben der Kappen mindestens variieren können.
Zubehör und Teile über die Zeichnungen.
Wenn Sie Teile über die Zeichnungen bestellen, ergeben sich eine Reihe von Vorteilen. So können Sie einfach und schnell die Teile finden, die Sie suchen. Darüber hinaus können Sie anhand der Zeichnungen eine bessere Vorstellung davon bekommen, wie Ihr Roller genau aufgebaut ist und wie er aufgebaut ist. Sie haben auch den Vorteil, dass die Passung der Teile und des Zubehörs aus den Zeichnungen immer 100% beträgt und da die Passform 100% beträgt, halten Sie die Verschleißwahrscheinlichkeit so gering wie möglich.


