Technische Zeichnungen für Rover GT 125cc Silber
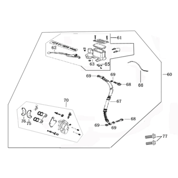
Klicken Sie hier auf die technischen Zeichnungen oder die Explosionszeichnung des silbernen Rollers Rover GT 125cc, für den Sie Teile oder Zubehör suchen. Die technischen Zeichnungen des Rover GT 125cc Silber geben Ihnen einen klaren Überblick über die verschiedenen passenden Teile und Zubehörteile. Wenn Sie nach Ihren Teilen suchen, haben Sie immer passende Teile für Ihren Rover GT 125cc Silber


