Technische Zeichnungen für Santini Capri braun
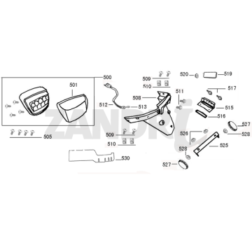
Klicken Sie hier auf die technischen Zeichnungen oder die Explosionszeichnung des braunen Rollers Santini Capri, für den Sie nach Teilen oder Zubehör suchen. Die technischen Zeichnungen des Santini Capri Brown geben Ihnen einen klaren Überblick über die verschiedenen Beschlagteile und das Zubehör. Wenn Sie nach Ihren Teilen suchen, haben Sie immer passende Teile für Ihr Santini Capri braun.
Der Santini Capri Roller
Die Santini Capri ist eine echte Vespa, die aussieht. Der Capri ist auch für zwei Personen geeignet und der Santini hat relativ viel Beinfreiheit. Der Kofferraum unter dem Kumpelsitz ist groß. Der Capri wird mit bleifreiem Benzin betrieben und ist sparsam und leise. Der GY-6 4-Takt-Motor sorgt für eine gute Zugkraft. Der Santini Capri ist ein klassisch aussehender Modellroller.
Teile und Farben
Der Capri-Typ ist in mehreren Farben erhältlich. Farben, die uns bekannt sind:
Ersatzteile für Santini Capri
Oben sehen Sie die Capri-Modelle, von denen wir technische Zeichnungen haben. Wählen Sie zuerst Ihr Modell aus und sehen Sie sich dann die Zeichnung an, die Sie für benötigen. Wenn Sie auf diese Weise nach Teilen suchen, haben Sie garantiert immer passende Teile und Zubehör für Ihren Santini Capri. Für die Wartung Ihres Santini Capri ist es sehr wichtig, dass Sie gut sitzende Teile verwenden, die unnötigen Verschleiß verhindern und unnötige Kosten verursachen können.


