Technische Zeichnungen für Senzo Retro GT2 schwarz
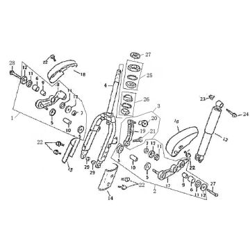
Klicken Sie hier auf die technischen Zeichnungen oder die Explosionszeichnung des schwarzen Senzo Retro GT2 Scooters, für den Sie nach Teilen oder Zubehör suchen. Die technischen Zeichnungen des Senzo Retro GT2 schwarz geben Ihnen einen klaren Überblick über die verschiedenen passenden Teile und das Zubehör. Wenn Sie nach Ihren Teilen suchen, haben Sie immer passende Teile für Ihren Senzo Retro GT2 schwarz.
Der Senzo Retro GT2 Roller
Es ist ein wirklich lustiger „lustiger“ Roller! Der Senzo Retro GT2 4-Takt hat einen klassischen Look. Der Retro ist mit einem GY6-Motorblock ausgestattet, der zum Auftanken von Euro 95 geeignet ist. Durch die Verwendung von Chromteilen und einem breiten Lenkrad wird der Retro-Charakter dieses Scooters noch mehr betont! Der Senzo Retro ist weit verbreitet und dient hauptsächlich zu Erholungszwecken.
Teile per technischer Zeichnung für Senzo Retro
Oben sehen Sie die Retro-Modelle, von denen wir technische Zeichnungen haben. Wählen Sie zuerst Ihr Modell aus und sehen Sie sich dann die Zeichnung an, die Sie für benötigen. Wenn Sie auf diese Weise nach Teilen suchen, haben Sie garantiert immer passende Teile und Zubehör für Ihren Senzo Retro. Bitte achten Sie genau auf die Motorhaubenteile dieses Scooters, da diese abweichen können. Für die Wartung Ihres Senzo Retro ist es sehr wichtig, dass Sie gut sitzende Teile verwenden, dies verhindert unnötigen Verschleiß und kann Ihnen viele unnötige Kosten sparen.
Teile und Farben
Dieser Typ ist in vielen verschiedenen Farben erhältlich. Farben, die uns bekannt sind:
Es kann jedoch nicht garantiert werden, dass wenn Sie ein neues Haubenteil derselben Farbe bestellen, es genau dieselbe Farbe hat wie die Motorhauben Ihres Rollers. Die Farbe kann manchmal etwas anders sein.
Ersatzteile für den Senzo Grande Retro
Die Senzo Grande Retro Teile sind anhand unserer technischen Zeichnungen leicht zu finden. Scrollen Sie, zoomen Sie hinein und klicken Sie dann auf das Foto. Durch die Verwendung der Teile und des Zubehörs in den Zeichnungen können Sie sicher sein, dass die Passform immer 100% beträgt und der Verschleiß des Rollers am geringsten ist.
Senzo-Roller
Zusätzlich zu allen Teilen des Senzo Grande Retro, die Sie auf den obigen technischen Zeichnungen finden, haben wir auch verschiedene Teile für viele andere Typen der Marke Senzo, die Sie in unseren technischen Zeichnungen finden können. Denk an:
Wenn Sie Ihr Teil nicht finden können, wenden Sie sich bitte an unseren Kundendienst. Wir helfen Ihnen gerne weiter!


