Technische Zeichnungen für Senzo Rivaluxi Silber
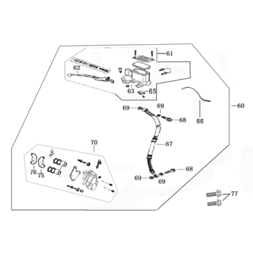
Klicken Sie hier auf die technischen Zeichnungen oder die Explosionszeichnung des silbernen Senzo Rivaluxi Scooters, für den Sie nach Teilen oder Zubehör suchen. Die technischen Zeichnungen des Senzo Rivaluxi Silber geben Ihnen einen klaren Überblick über die verschiedenen passenden Teile und Zubehörteile. Wenn Sie nach Ihren Teilen suchen, haben Sie immer passende Teile für Ihr Senzo Rivaluxi Silber.
Der Senzo Rivalux Roller
Der Senzo Rivalux ist eine echte Vespa, die aussieht. Der Senzo wird mit bleifreiem Benzin betrieben und ist sparsam und leise. Der Kofferraum unter dem Kumpelsitz ist groß. Der GY-6 4-Takt-Motor sorgt für eine gute Zugkraft. Der Senzo Rivalux ist ein klassisch aussehender Modellroller. Der Senzo Rivalux ist auch für zwei Personen geeignet und der Senzo Rivalux hat relativ viel Beinfreiheit.
Teile und Farben des Senzo Rivalux
Der Rivalux-Typ ist in mehreren Farben erhältlich. Farben, die uns bekannt sind:
Ersatzteile für Senzo Rivalux
Für die Wartung Ihres Senzo Rivalux ist es sehr wichtig, dass Sie gut sitzende Teile verwenden, die unnötigen Verschleiß verhindern und unnötige Kosten verursachen können. Oben sehen Sie die Modelle des Typs Senzo Rivalux, von denen wir technische Zeichnungen haben. Wählen Sie zuerst Ihr Modell aus und sehen Sie sich dann die Zeichnung an, die Sie für benötigen. Wenn Sie auf diese Weise nach Teilen suchen, haben Sie garantiert immer passende Teile und Zubehör für Ihren Senzo Rivalux.
Ersatzteile für den Senzo Rivalux
Die Senzo Rivalux-Teile sind anhand unserer technischen Zeichnungen leicht zu finden. Scrollen Sie, zoomen Sie hinein und klicken Sie dann auf das Foto. Durch die Verwendung der Teile und des Zubehörs in den Zeichnungen können Sie sicher sein, dass die Passform immer 100% beträgt und der Verschleiß des Rollers am geringsten ist.
Senzo-Roller
Zusätzlich zu allen Teilen des Senzo Rivalux, die Sie auf den obigen technischen Zeichnungen finden, haben wir auch verschiedene Teile für viele andere Typen der Marke Senzo, die Sie in unseren technischen Zeichnungen finden können. Denk an:
Wenn Sie Ihr Teil nicht finden können, wenden Sie sich bitte an unseren Kundendienst. Wir helfen Ihnen gerne weiter!


