Technische Zeichnungen für SYM Tonik blau/weiß
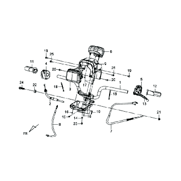
Klicken Sie hier auf die technischen Zeichnungen oder die Explosionszeichnung des blau/weißen Rollers SYM Tonik, für den Sie Teile oder Zubehör suchen. Die technischen Zeichnungen des SYM Tonik geben Ihnen einen klaren Überblick über die verschiedenen Beschlagteile und das Zubehör. Wenn Sie Ihre Teile durchsuchen, haben Sie immer passende Teile für Ihr SYM Tonik blau/weiß.
TEILE/TEILE FÜR DEN SYM TONIK.
Der SYM Tonik ist ein kompakter Retro-City-Scooter. Der Tonik ist relativ leicht und wendig. Der Stauraum unter dem Sattel ist gut dimensioniert. ZANDRI hat sowohl Nachahmungsteile als auch werkseitige Originalteile für diesen 4-Takt-SYM-Roller auf Lager.
TEILE FÜR DEN SYM Tonik können einfach über die technischen Zeichnungen bestellt werden.
Der SYM Tonik hat einen leisen und sparsamen Viertakt-Motorblock. Das Tonikum wird oft mäßig Hobby verwendet, aber als Heimarbeiter steht der Tonik auch für sich. Auf dieser Seite können Sie anhand der technischen Zeichnungen aus den verkauften Farben des SYM Tonik wählen. Falls es irgendwelche Fragen gibt, helfen wir Ihnen gerne weiter;
-Live-Chat
-per Telefon
NEUE TEILE, SOWOHL ORIGINAL ALS AUCH NACHAHMUNG FÜR DAS SYM TONIC.
Die Kapelle/Plattenteile für das SYM TONIC sind fast nur werkseitig original. Die Passform und die Farben sind super, leider ist der Preis oft weniger gemütlich. Für das Zubehör stehen verschiedene Qualitäten und Preisklassen zur Verfügung!
Die meisten Verschleißteile, Zubehörteile und Universalteile sind über unsere Menüstruktur auf der linken Seite oder über die Suchleiste leicht zu finden.


