Technische Zeichnungen für SYM Jet 14 blue
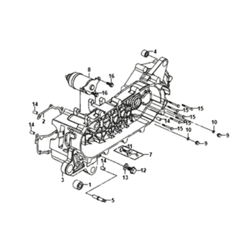
Klicken Sie hier auf die technischen Zeichnungen oder die Explosionszeichnung des blauen Rollers SYM Jet 14, für den Sie Teile oder Zubehör suchen. Die technischen Zeichnungen des SYM Jet 14 geben Ihnen einen klaren Überblick über die verschiedenen Beschlagteile und das Zubehör. Wenn Sie nach Ihren Teilen suchen, haben Sie immer passende Teile für Ihren SYM Jet 14 blau.


