Tomos Flexer XL (45 km/u) (K8-L0) onderdelen
De Tomos Flexer XL (45 km/u) (K8-L0) is een sportieve en krachtige uitvoering binnen de Flexer-serie. Dit model onderscheidt zich door zijn hogere snelheid, robuuste frame en betrouwbare motorblok. De Flexer XL combineert de klassieke Tomos-duurzaamheid met extra rijplezier, waardoor dit model populair was onder rijders die net dat beetje extra vermogen wilden.
Bij Zandri vind je zowel originele Tomos onderdelen als kwalitatieve vervangende onderdelen. Zo heb je altijd de juiste keuze om jouw Tomos Flexer XL (45 km/u) (K8-L0) in topconditie te houden, of je nu kiest voor OEM-kwaliteit of een voordelig alternatief.
Waarom kiezen voor de Tomos Flexer XL (45 km/u)?
De Tomos Flexer XL (45 km/u) (K8-L0) staat bekend om zijn sportieve uitstraling, comfortabele zithouding en betrouwbare prestaties. Dankzij het robuuste ontwerp en de krachtige motor is dit model ideaal voor zowel dagelijks gebruik als recreatieve ritten. Onderhoud is eenvoudig en betaalbaar dankzij de ruime beschikbaarheid van onderdelen.
Veel bestelde Tomos Flexer XL onderdelen bij Zandri
Sommige onderdelen van de Tomos Flexer XL slijten sneller of worden vaak vervangen tijdens onderhoud. Bij Zandri hebben we deze onderdelen altijd ruim op voorraad. Denk hierbij aan:
- Banden
- Uitlaten
- Cilinders
- Luchtfilters
- Ketting en tandwielen
Deze onderdelen bestel je eenvoudig en snel, zodat je Tomos Flexer XL (45 km/u) (K8-L0) altijd betrouwbaar en rijklaar blijft.
Originele en vervangende Tomos onderdelen
Bij Zandri bestel je zowel originele Tomos onderdelen als betrouwbare vervangende onderdelen. Originele onderdelen garanderen de beste kwaliteit en pasvorm, terwijl vervangende onderdelen vaak een voordeliger alternatief zijn. Zo bepaal je zelf wat het beste past bij jouw Flexer XL.
Daarnaast biedt Zandri de mogelijkheid om onderdelen te zoeken op OEM-nummers (ter referentie). Zo weet je altijd zeker dat je het juiste vervangende onderdeel bestelt.
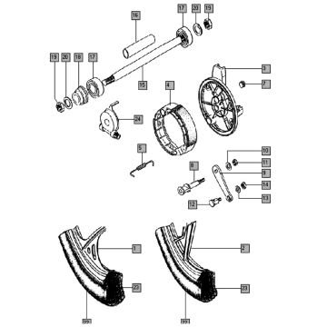
Vind eenvoudig het juiste onderdeel via technische tekeningen
Met behulp van de duidelijke technische tekeningen zie je precies waar elk onderdeel hoort. Je hoeft dus nooit te gokken en bestelt altijd het juiste onderdeel via onze webshop.
Zo werkt het:
- Kies jouw Tomos Flexer XL (45 km/u) (K8-L0) model
- Bekijk de technische tekening
- Klik op het onderdeel dat je zoekt
- Bestel direct online
Montagehulp via ons YouTube-kanaal
Heb je hulp nodig bij het monteren van onderdelen? Op ons YouTube-kanaal vind je handige montagevideo’s speciaal voor Tomos brommers. Hier laten we stap voor stap zien hoe je onderdelen monteert en je Flexer XL in topconditie houdt.
Waarom onderdelen bestellen bij Zandri?
- Snelle levering – levertijd 1-3 werkdagen
- Veel op voorraad – originele én vervangende Tomos onderdelen
- Duidelijke tekeningen – je bestelt altijd het juiste onderdeel
- Goede klantenservice – wij denken met je mee
Bestel Tomos Flexer XL onderdelen bij Zandri
Of je nu kiest voor originele onderdelen of een voordelig vervangend alternatief: bij Zandri vind je alles om jouw Tomos Flexer XL (45 km/u) (K8-L0) in topconditie te houden. Profiteer van ons ruime aanbod, snelle levering en uitstekende service.


